OD门可以线与,简化硬件电路
可实现电平转换
驱动大电流负载
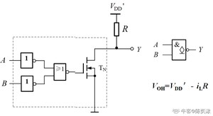
更直白的一点。所谓漏极开路门(OD门)是指CMOS门电路的输出只有NMOS管,并且它的漏极是开路的。使用OD门时必须在漏极和电源VDD之间外接一个上拉电阻(pull-up resister)RP。如图所示为两个OD与非门实现线与,将两个门电路输出端接在一起,通过上拉电阻接电源。
可以看出,OD门就是将反相器的上面的pmos管拿掉了而已。
当两个与非门的输出全为1时,输出为1;
只要其中一个输出为0,则输出为0,所以该电路符合与逻辑功能,
即L=(AB)'(CD)'。
当将图中所示的两个逻辑门的输出连接在一起,并且当第一个门的输出为高电平(第一个门的T4导通),第二个门的输出为低电平(第二个门的T3导通)时,正如图中红线所示将出现一个大电流通道,很可能导致晶体管的损坏。
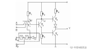
为了避免线与时的产生大电流,可以采用集电极开路门(简称OC门)来解决 。所谓集电极开路是指从TTL与非门电路的推挽式输出级中删去电压跟随器,如下图所示:
对于一个两输入端的OC门,其在电路中的符号可用下图来表示:
OC门实现“线与”逻辑
三态门的定义
三态门(Three-state gate)是一种重要的总线接口电路。三态门都有一个EN控制使能端,来控制门电路的通断。 可以具备这三种状态的器件就叫做三态器件。当EN有效时,三态电路呈现正常的“0”或“1”的输出;当EN无效时,三态电路给出高阻态输出。
三态门的应用
如果你的设备端口要挂在一个总线上,必须通过三态缓冲器。因为在一个总线上同时只能有一个端口作输出,这时其他端口必须在高阻态,同时可以输入这个输出端口的数据。所以你还需要有总线控制管理,访问到哪个端口,那个端口的三态缓冲器才可以转入输出状态。这是典型的三态门应用。
三态门的三态介绍及特点
三态是指:高电平、低电平、高阻态。
三态门有三种输出状态:输出高电平、输出低电平和高阻状态,前两种状态为工作状态,后一种状态为禁止状态。值得注意的是,三态门不是具有三种逻辑值。在工作状态下,三态门的输出可为逻辑‘0’或者逻辑‘1’;在禁止状态下,其输出呈现高阻态,相当于开路。
三态门有广泛的应用,利用三态门可以实现线与,也被广泛应用于总线传送。总线传送时,为了保证数据传送的准确性,任意时刻,n个三态门的控制端只能有一个为1,其余均为0,而三态门利用高阻态可以很好的实现这一特性。
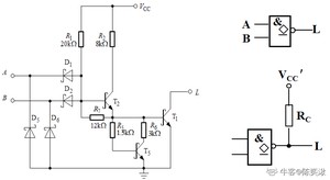
三态输出门电路
上图为三态门输出门电路的原理图。在图中,如果将虚线方框内的两个反相器和一个二极管剪掉,剩下的部分就是典型的TTL与非门电路。
所谓三态是指输出端而言。普通的TTL与非门其输出极的两个晶体管T4、T5始终保持一个导通,另一个截止的推拉状态。T4导通,T5截止,输出高电平Y=1;T4截止,T5导通,输出低电平,Y=0。三态门除了上述两种状态外,又出现了T4、T5同时截止的第三种状态。因为晶体管截止时c、e之间是无穷大阻抗,输出端Y对地、对电源(vcc)阻抗无穷大。因此这第三种状态也称高阻状态。
常用三态门的图形符号和输出逻辑表达式
三态门线与电路
图8-30所示是采用三态门构成的线与电路,电路中的DF是数据总线,即该线是3个三态门电路共用的数据传输线,该线与电路要实现这样一个功能,即当其中一个三态门通过总线传输数据时,要求其他两个三态门处于关闭状态。电路中的三态门电路在控制端C接高电平时处于高阻状态。
这一电路的工作原理是:当电路中的Cl、C2和C3轮流为低电平时,总有一个三态门电路与总线相连,另两个与总线脱离,这样就能实现轮流按与非逻辑输出到总线DF上。例如,控制端C2为低电平0,此时Cl和C3为高电平,只有A2和B2与非运算后的结果加到总线DF上,另两个门由于处于高阻状态而与总线脱离。
版权声明:
本文来源网络,所有图片文章版权属于原作者,如有侵权,联系删除。
本文网址:https://www.mushiming.com/mjsbk/7269.html