原文来自公众号:工程师看海
滤波器是常见的信号调理电路,其中低通滤波器最为普遍,我们常听说一阶滤波器、二阶滤波器,二者有什么差别呢?
低通滤波器有3个重要参数:通带、阻带和过度带,理想的滤波器是没有过度带的,超过Fc截止频率的成分会被戛然而止滤除,而实际滤波器会有过渡带的限制,信号在过渡带内被逐渐衰减,我们一般希望过渡带窄一些,这样滤除的会更干净一点。

一阶和二阶滤波器最显著的差异是过渡带的不同,二阶低通滤波器的过渡带更窄,不需要的干扰信号会衰减的更快,噪声滤除的更干净,如下图所示。

一阶和二阶无源RC低通滤波器结构如下图所示,相比于一阶,二阶有滤完一次再滤一次的感觉。

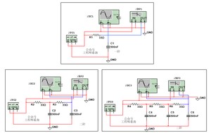
我们使用multisim仿真一阶、二阶、三阶进行下对比,截止频率是9.7Khz,仿真文件获取:公众号后台回复:二阶低通滤波器

从左到右依次是一阶、二阶、三阶滤波器的幅频曲线,可以看到一阶滤波器最缓,三阶滤波器最陡峭。

在从时域上看些滤波的效果,红色是输入信号10Khz,蓝色是滤波器的输出信号,在截止频率是9.7Khz的低通滤波器作用下,理想情况下10Khz的输入超过9.7Khz会被完全抑制掉,是没有输出的,但是实际上由于过度带的存在10Khz信号无法完全滤除,下图从上到下分别是一阶、二阶和三阶的时域对比图,可以看到,一阶抑制的效果最差,二阶其次,三阶抑制的最多。

以上就是一阶滤波器和二阶滤波器的原理和差异。
感谢点赞、分享、在看,让知识变得更简单
限时免费扫码进群,交流更多行业技术

推荐阅读▼
电池、电源
硬件文章精选
华为海思软硬件开发资料
版权声明:
本文来源网络,所有图片文章版权属于原作者,如有侵权,联系删除。
本文网址:https://www.mushiming.com/mjsbk/5103.html