树莓派3B入门 - Linux镜像烧录lite32位版
盖房子总是需要先选砖的,啊哈哈…
1.1 树莓派是什么
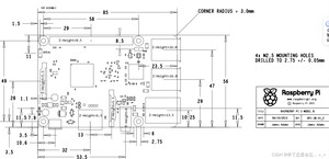
1.2 硬件配置


1.3 引脚图

2.1 使用树莓派所需的装备
- 8G 以上安装了树莓派系统的 SD 卡
- 5V/3A 以上的 MicroUsb 接口电源适配器。
- USB 接口的键盘鼠标一套。
- HDMI线,用于接显示器,或者HDMI转VGA的,或者HDMI转DVI的,主要看你的显示器接口。
2.2 操作系统
- Raspbian:这是基于 Debian Linux 发行版的官方树莓派操作系统。它提供了桌面版和 Lite 版本,主要用于教育、娱乐和学习。
- Ubuntu Mate:这是基于 Ubuntu Linux 发行版的树莓派操作系统。它提供了桌面版和服务器版,适用于桌面、嵌入式和服务器领域。
- Ubuntu Core:这是一个基于 Ubuntu Linux 的最小化操作系统,用于运行 IoT (物联网) 和嵌入式设备。它具有高度的安全性和可靠性。
- Kali Linux:这是一种专为渗透测试和网络安全而设计的 Linux 发行版。它提供了许多用于测试安全性的工具和应用程序,适合安全专家和研究人员使用。
- RetroPie:这是一款娱乐类树莓派操作系统,预装了各种游戏模拟器和游戏软件,能够让用户回忆起经典的游戏和掌机。
- OSMC:这是一个基于 Kodi 媒体中心的树莓派操作系统。它提供了一个完整的媒体中心解决方案,并支持各种流媒体服务和插件。
除了以上操作系统,还有一些针对特定应用场景设计的树莓派操作系统,如树莓派集群操作系统、智能家居操作系统等。
2.3 树莓派镜像烧录
2.4 启动树莓派
当你看到树莓派主板上红色电源指示灯亮起,绿色指示灯间或闪烁说明系统已经开始启动。 顺利的话这时会看到树莓派的 Logo。

用户名:pi
密码:raspberry
图形性能如何?
GPU 支持 OpenGL ES 3.x、硬件加速的 OpenVG,和高至 4Kp60 HEVC 视频硬件解码。
如何启动?
电源开关在哪里?
开机:插上电源插头
关机:拔下电源插头
特别提醒:树莓派毕竟是电脑!请先使用关机命令(halt或sudo halt),确保Linux停止对SD卡的一切读写后再切断电源!否则极易丢失数据。
为什么没有实时时钟?
能增加内存吗?
不能。内存是一个“扣”在CPU/GPU上的PoP封装,无法拆卸。
有 XX 芯片的手册下载吗?
树莓派可以用于XX用途吗?
我们只研究将树莓派用于教育目的。如果您想把树莓派用于任何其他用途,只要相关的研究您自己负责,就没问题。
如何连接键盘和鼠标?
树莓派能连接什么显示设备?
树莓派提供HDMI与复合视频两种输出。您可以将树莓派连接到任何电视机的A/V输入端子,或是新型电视的HDMI端子上。也可以使用廉价的HDMI转DVI线缆(转接头)连接支持DVI输入的显示器。
树莓派不支持VGA。如果要使用VGA或YPbPr色差,您需要一个相对贵一些的HDMI转VGA转换器。
当然,尽管对初学者可能有些难,但树莓派即使没有显示器,也可以通过远程登录进行操作!
GPU 内部有固件吗?
是的。其实GPU的固件兼做第一阶段的引导程序(即first stage bootloader,开发 ARM 的朋友可以看一下?)。
工作的温度范围是?
树莓派使用的芯片全都是商业级的,温度范围具体有所不同:局域网和USB芯片LAN9512标称070°C,而核心芯片标称-4085°C。也许在温度范围外还能工作,但是我们没做这样的极限测试。
(其实也就是一般的室内环境,和不低于0度的室外环境了)
输入密码时不显示是怎么回事?
有关SD卡和存储设备
最大实验了 128GB 的 SD 卡没有问题。您也可以连接 U 盘与 USB 移动硬盘来扩展存储。
SD卡容量的最低需求,理论上2GB。但为了给新的程序和文件保留空间,实际上请一定不要低于4GB。
建议 SD 卡选择速度等级为 A1 以上的,可以用满树莓派对 SD 卡的读写能力,最大限度提高速度。
16GB 是推荐的大小,肯定够用,并且备份恢复都方便。32GB 或更大就太大了不够灵活。
变砖了怎么办?
- BGA:一种电子芯片的贴片封装,所有引脚呈球状,以方阵形式分布在芯片正下方。
- SoC:片上系统。将电脑的所有部分制作在单一一块芯片上。
- GPIO:一般用途输入输出接口。可以通过编程,直接控制引脚高低电平变化的底层扩展口。
- GPU:图形处理单元,管理图形的硬件,等同于一般计算机的显卡。
发布版(Distro, Distribution):将 Linux 核心与相关软件捆绑并精心定制之后,起一个名字发布出来,方便一般的 Linux 用户使用的版本。像 Fedora、Ubuntu、Debian 就是我们所熟知的,在普通计算机上广泛使用的 Linux 发布版。
变砖:因为改动软件或刷新固件等行为,而让设备无法启动,并且呈现黑屏或无反应的状态。常见于智能手机、游戏机、路由器等有固件升级功能的硬件上。
(另外提一点,“变砖”指的是设备的尺寸比较小,可以和“砖”相提并论的场合。所以台式机和笔记本刷BIOS一般不说“变砖”) - PXE:启动前运行环境。一种通过网络来启动设备的场合。现在多用于各种机房、网吧的无盘工作站平台。
- PoE:以太网供电。只连接网线就能给设备供电的技术。
- 树莓派介绍以及FAQ
- 树莓派功能介绍
版权声明:
本文来源网络,所有图片文章版权属于原作者,如有侵权,联系删除。
本文网址:https://www.mushiming.com/mjsbk/8439.html