
OC门(Open Collector Gate)是数字电路中的一种逻辑门,它是开集输出门电路,其主要作用是将输入信号通过门电路进行处理,并将结果输出到外部负载上。OC门的特点是输出端可以接受较高的电压,因此它可以驱动较高电平的负载,如电机、继电器、LED等。
OC门的输出端可以被拉低,但无法被拉高,只能在高阻态时不输出电信号。OC门通常由一个开漏输出的晶体管和一个输入端组成,可以实现与门、或门、非门等逻辑运算。
在OC门中,当输入端为低电平时,输出端被拉低;当输入端为高电平或高阻态时,输出端处于高阻态。这种输出方式使得多个OC门可以并联连接,通过外部上拉电阻或上拉电源,形成开关电路,控制外部器件的工作。
- 数字信号的缓冲、放大、隔离和反相等;
- 由于OC门的开漏输出特性,它还可以用于实现数字信号的多路选择、电平转换和施密特触发等功能;
- 常用于模拟电路中,将数字信号转换为模拟信号,控制模拟器件的工作,如控制电机的转速、控制LED的亮度等。
- OC门的输出端并不能提供电压源,因此在使用OC门时需要为输出端接电源或外部上拉电阻,以确保输出端正常工作。
- OC门输出端的高电平和低电平 均需要通过外部电路来驱动,因此在设计电路时需要注意电路的抗干扰能力和稳定性。

OD门(Open Drain Gate)是数字电路中的一种逻辑门,它的输出端可以被拉低,但无法被拉高,只能在高阻态时不输出电信号。OD门通常由一个开漏输出的晶体管和一个输入端组成,可以实现与门、或门、非门等逻辑运算。
与OC门类似,OD门的输出端也可以被多个门并联连接,形成开关电路,控制外部器件的工作。不同之处在于,OD门的输出端可以通过上拉电阻或上拉电源拉高,从而实现高低电平转换。因此,OD门适用于一些需要既可以输出高电平又可以输出低电平的应用场合,如数字信号的放大、隔离、反相、驱动等。
在实际应用中,OC门和OD门常常互相转换使用,具体取决于电路的设计要求和应用场合。
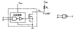
下面示例是漏极开路的与非门:

三态门是一种数字电路门电路,它具有三种状态:
- 高电平输出
- 低电平输出
- 高阻态输出。
与普通门电路只有两种状态(高电平输出和低电平输出)不同,三态门的高阻态输出可以在电路中实现高阻抗状态,使得它可以连接多个门电路或器件而不会干扰其它部分的工作。
三态门通常由多个晶体管和一个控制信号组成:
- 当控制信号为高电平时,晶体管导通,门电路输出高电平;
- 当控制信号为低电平时,晶体管截止,门电路输出低电平;
- 当控制信号为高阻抗状态时,门电路输出高阻抗状态。
三态门图标示例:

三态门的高阻态输出特性使得它在复杂的数字电路设计中具有重要的作用。
在数字电路设计中,总线是用于连接多个器件的数据传输线路。由于总线连接了多个器件,因此可以通过使用三态门来控制各个器件与总线的连接状态,实现总线上多组信号的传输。这种技术称为总线共享/总线复用,在计算机系统和通信系统中被广泛使用,可以提高系统的数据传输效率和可靠性。
(1)1使能高电平
这时输出为高阻,即输出与输入没有关系 。
输入低,输出高阻状态:

输入高,输出高阻状态:

(2)1使能低电平
输入高电平,输出高电平:

输入低电平,输出低电平:

版权声明:
本文来源网络,所有图片文章版权属于原作者,如有侵权,联系删除。
本文网址:https://www.mushiming.com/mjsbk/8264.html