DDS信号发生器采用直接数字频率合成(Direct Digital Synthesis,简称DDS)技术,把信号发生器的频率稳定度、准确度提高到与基准频率相同的水平,并且可以在很宽的频率范围内进行精细的频率调节。采用这种方法设计的信号源可工作于调制状态,可对输出电平进行调节,也可输出各种波形。
一个完整周期的函数波形被存储在上面所示的存储器查找表中。相位累加器跟踪输出函数的电流相位。为了输出一个非常低的频率,采样样本之间的差相位(Δ)将非常小。例如,一个很慢的正弦波可能将有1度的Δ相位。则波形的0号采样样本采得0度时刻的正弦波的幅度,而波形的1号采样将采得1度时刻的正弦波的幅度,依次类推。经过360次采样后,将输出正弦曲线的全部360度,或者确切地说是一个周期。一个较快的正弦波可能会有10度的Δ相位。于是,36次采样就会输出正弦波的一个周期。如果采样率保持恒定,上述较慢的正弦波的频率将比较快的正弦波慢10倍。 进一步说,一个恒定的Δ相位必将导致一个恒定正弦波频率的输出。但是,DDS技术允许通过一个频率表迅速地改变信号的Δ相位。函数发生器能够指定一个频率表,该表包括由波形频率和持续时间信息组成的各个段。函数发生器按顺序产生每个定义的频率段。通过生成一个频率表,可以构建复杂的频率扫描信号和频率跳变信号。DDS允许函数发生器的相位从一级到另一级连续变化。 矢量信号发生器提供高灵活度和强大的解决方案,可用于科学研究,通信,消费电子,宇航/国防,半导体测试以及一些新兴领域,如软件无线电,无线电频率识别( RFID),以及无线传感网络等。 有些公司还提供许多其他利用DAC来产生模拟信号的模拟输出产品。模拟输出板的基本架构是,将一个小型的FIFO存储器连接到一个DAC上。绝大部分的模拟输出板被用来产生静态电压,而且许多可以被用来产生低频波形。

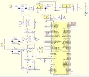
STM32内部带有12位ADC,通过查表的方式输出各个电压

版权声明:
本文来源网络,所有图片文章版权属于原作者,如有侵权,联系删除。
本文网址:https://www.mushiming.com/mjsbk/6993.html