电路的任何一个寄存器、存储器结构和其他时序单元都必须附加复位逻辑电路,以保证电路能够从错误状态中恢复、可靠地工作。对于综合实现的真实电路,通过复位使电路进入初始状态或者其他预知状态。复位在数字IC设计中是不可缺少的一部分,故一定要清楚掌握深入理解复位的作用。
先看一个简单的同步复位的D触发器,Verilog代码如下:
得到的电路图如下:

同步复位的优点:
- 抗干扰性高,可以剔除复位信号中周期短于时钟周期的毛刺;
- 电路稳定性强。
同步复位缺点:
- 大多数逻辑器件的目标库内的DFF都只有异步复位端口,适用同步复位时,综合器就会在寄存器的数据输入端插入组合逻辑,占用更多的逻辑资源;
- 同步复位依赖于时钟,如果电路中的时钟信号出现问题,无法完成复位。
- 对复位信号的脉冲宽度有要求,必须大于指定的时钟周期,由于线路上的延迟,可能需要多个时钟周期的复位脉冲宽度,且很难保证复位信号到达各个寄存器的时序。
先看一个简单的异步复位的D触发器,Verilog代码如下:
异步复位的优点:
- 无需额外的逻辑资源,实现简单;
- 复位信号不依赖于时钟。
异步复位缺点:
- 复位信号容易受到外界的干扰,如毛刺等影响;
- 复位信号释放的随机性,可能导致时序违规,倘若复位释放时恰恰在时钟有效沿附近,就很容易使电路处于亚稳态,如下图所示:
先看一个异步复位同步释放的Verilog代码:
得到的电路图如下:

1、异步复位,同步释放的含义
异步复位:就是复位信号可以直接不受时钟信号影响,在任意时刻只要是低电平就能复位,即复位信号不需要和时钟同步。上图中,当rst_async_n有效时,第一个D触发器的输出是低电平,第二个D触发器的输出rst_sync_n也是低电平,第二个方框中的异步复位端口有效,输出被复位。
同步释放:让复位信号取消的时候,必须跟时钟信号同步,即刚好跟时钟同沿。上图中,假设rst_async_n撤除时发生在clk上升沿,如果不加此电路则可能发生亚稳态事件(有的时候会打三拍)。但是加上此电路以后,假设第一级D触发器clk上升沿时rst_async_n正好撤除,则D触发器1可能输出高电平“1”,也可能输出亚稳态,也可能输出低电平。但此时第二级触发器不会立刻更新输出,第二级触发器输出值为前一级触发器Q1的输出状态。显然Q1之前为低电平,故第二级触发器输出保持复位低电平。直到下一个时钟有效沿到来之后,才随着变为高电平。即实现同步释放。
2、异步复位,同步释放的优点
- 避免复位信号释放的时候造成亚稳态问题
- 只要复位信号一有效,电路就处于复位状态,与时钟沿无关
- 有效捕捉复位,即使是短脉冲复位也不会丢失
- 有明确的复位撤销行为,复位的撤离是同步信号,因此有良好的的撤离时序和足够的恢复时间
- 用两级触发器打两拍的方法解决亚稳态的问题
3、为何代码中第一级触发器的数据端口是1’b1,而不是rst_async_n?
如果是rst_async_n,则生成的电路如图如下:

如果是1’b1,则生成的电路图如下:

显然第二种方法更好,因为本身复位是高扇出信号,第二种方法可以减小复位信号的扇出数,1’b1意思是直接接电源,节省资源,这样可以使电路性能更好。
因为异步复位,同步释放中复位释放需要与时钟同步,故不同的时钟域时,有两种办法解决这个问题:
1、非协调的复位撤销
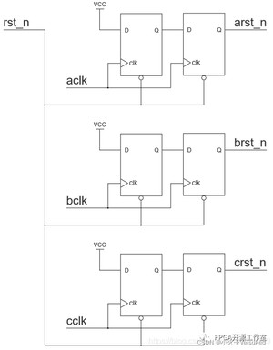
使用每个时钟搭建自己的复位同步器即可,如下图所示:

Verilog代码如下:
2、 顺序协调的复位撤销
当多个时钟域之间对复位释放的时间有顺序要求时,将复位同步器级联起来就可以构成多个时钟域按顺序的复位释放,如下图所示:

Verilog代码如下:
不同的复位方式有各自的优缺点,但是在工程中,一般都用异步复位的方法,最好是异步复位同步释放的方法。
版权声明:
本文来源网络,所有图片文章版权属于原作者,如有侵权,联系删除。
本文网址:https://www.mushiming.com/mjsbk/5043.html