三态门,是指逻辑门的输出除有高、低电平两种状态外,还有第三种状态——高阻状态的门电路 高阻态相当于隔断状态。 三态门都有一个EN控制使能端,来控制门电路的通断。 可以具备这三种状态的器件就叫做三态(门,总线,......).
举例来说:
内存里面的一个存储单元,读写控制线处于低电位时,存储单元被打开,可以向里面写入;当处于高电位时,可以读出,但是不读不写,就要用高电阻态,既不是+5v,也不是0v
计算机里面用 1和0表示是,非两种逻辑,但是,有时候,这是不够的,
比如说,他不够富有 但是他也不一定穷啊,她不漂亮,但也不一定丑啊,
处于这两个极端的中间,就用那个既不是+ 也不是―的中间态表示, 叫做高阻态。
高电平,低电平可以由内部电路拉高和拉低。而高阻态时引脚对地电阻无穷,此时读引脚电平时可以读到真实的电平值.
高阻态的重要作用就是I/O(输入/输出)口在输入时读入外部电平用.
1. 三态门的特点
三态输出门又称三态电路。它与一般门电路不同,它的输出端除了出现高电平、低电平外,还可以出现第三个状态,即高阻态,亦称禁止态,但并不是3个逻辑值电路。
2. 三态逻辑与非门
三态逻辑与非门如图Z1123所示。这个电路实际上是由两个与非门加上一个二极管D2组成。虚线右半部分是一个带有源泄放电路的与非门,称为数据传输部分,T5管的uI1、uI2称为数据输入端。而虚线左半部分是状态控制部分,它是个非门,它的输入端C称为控制端,或称许可输入端、使能端。

当C端接低电平时,T4输出一个高电平给T5 ,使虚线右半部分处于工作状态,这样,电路将按与非关系把uI1, uI2接受到的信号传送到输出端, 使uo或为高电平,或为低电平。
当C端接高电平时,T4输出低电平给T5,使 T6、T7、T10 截止。另一方面,通过D2把T8的基极电位钳在1v左右,使T9截止。由于T9、T10均截止,从输出端u0看进去,电路处于高阻状态。
三态逻辑与非门的逻辑符号如图Z1124所示。其中(a)图表示C端为高电平时为工作状态,称为高有效三态与非门。(b)图表示C端为低电平时的工作状态,称为低有效三态与非门。在使用时应注意区分。

三态与非门的最重要的用途就是可向一条导线上轮流传送几组不同的数据和控制信号,如图Z1125所示,这种方式在计算机中被广泛采用。但需要指出,为了保证接在同一条总线上的许多三态门能正常工作,一个必要条件是,任何时间里最多只有一个门处于工作状态,否则就有可能发生几个门同时处于工作状态,而使输出状态不正常的现象。
三态输出门电路(TS(Three-state output Gate)门)

上图为三态门输出门电路的原理图。在图中,如果将虚线方框内的两个反相器和一个二极管剪掉,剩下的部分就是典型的TTL与非门电路。
所谓三态是指输出端而言。普通的TTL与非门其输出极的两个晶体管T4、T5始终保持一个导通,另一个截止的推拉状态。T4导通,T5截止,输出高电平Y=1;T4截止,T5导通,输出低电平,Y=0。三态门除了上述两种状态外,又出现了T4、T5同时截止的第三种状态。因为晶体管截止时c、e之间是无穷大阻抗,输出端Y对地、对电源(vcc)阻抗无穷大。因此这第三种状态也称高阻状态。
现对三种状态进行分析:
控制信号可在EN处加入,也可在
处加入:
EN=0,
=1,则C=0,vB1=0.9V,vc2=0.9V
vB4=vc2=0.9V,T4截止(T4导通的电位vB4>1.4V)
vB1=0.9V,T5截止,输出端Y为高阻状态。
EN=1,
=0,C=1,对与非门另两个A、B输入端无影响,为正常的与非门电路。
当A=B=1,则T2、T5导通,vc2=1.0V(前已分析)。二极管D处于反相截止状态(因为其阳极电压vc2=1.0V,小于阴极C点电位vIH=3.4V),在电路中不起作用。
若A、B中有一个为0,则T2、T5截止,由于vc2=vIH+0.7=4.1V,足够保证T4导通。
即当EN=1(
=0),二极管D在电路中不起作用,电路保持完整的与非门逻辑功能。
三态门逻辑符号如下:

EN=1,
=0,![]()
EN=0, Y为高阻状态
=1,Y为高阻状态
常用逻辑门电路符号:
![]()
![]()
与门 与非门 非门(反相器)
![]()

或门 或非门 与或非门
![]()
Y=

OC与非门 三态与非门
(外接集电极电 C=1,
=0,![]()
阻后
) C=0,高阻
=1,高阻

C=1,Y=A
=0,Y=A
C=0,Y高阻
=1,Y高阻

C=1,
=0,![]()
C=0,Y高阻
=1,Y高阻
例题1:试确定下列各TTL门电路的输出Yi(i=1,……16)





确定左边表格中Y16的值。A、B、C三个控制变量能否取000,001,010,100四种组合?
例题2:试画出Y1、Y2 、Y3 、Y4的波形。A、B的波形如下图所示:


请读者自行画出Y3 、Y4的波形。要求在半分钟(30秒钟)内完成。
三态门电路
| 一:深度负反馈放大电路的近似估算 |
|||
|
|
由于是串联电压负反馈,故Ui≈Uf。
由上图可知,输出电压Uo经Rf和Re1分压后反馈到输入回路。即: |
||
| 则: 由于输出电压与输入电压的相位一致,故电压的放大倍数为正值。 |
|||
| 注:当放大电路不满足深反馈时,不能用此方法求解电压的放大倍数。 |
|||
| 一:场效应管的主要参数 |
|||
| 二:场效应管的特点 |
下面我们通过表格把各种场效应管的符号和特性曲线表示出来:
|
|||||||||||||||||||||||||||||||||
| 我们这一节要掌握的问题是: |
|||||||||||||||||||||||||||||||||
这一节我们要了解场效应管的分类,各种场效应管的工作特点及根据特性曲线能判断管子的类型。
| 场效应管分为结型场效应管(JFET)和绝缘栅场效应管(MOS管) 一:结型场效应管 1.结型场效应管的分类 |
||
| 从图中我们可以看到,结型场效应管也具有三个电极,它们是:G——栅极;D——漏极;S——源极。电路符号中栅极的箭头方向可理解为两个PN结的正向导电方向。 |
|
|
| 2.结型场效应管的工作原理(以N沟道结型场效应管为例) |
||
| 3.结型场效应管的特性曲线(以N沟道结型场效应管为例) |
||
|
|
|
|
|
|
| 从图中我们可以看出当UGS=UP时ID=0。我们称UP为夹断电压。 注:转移特性和输出特性同是反映场效应管工作时,UGS、UDS、ID之间的关系,它们之间是可以互相转换的。 |
|
| 二:绝缘栅场效应管(MOS管) | |
| 1.绝缘栅场效应管的分类 绝缘栅场效应管也有两种结构形式,它们是N沟道型和P沟道型。无论是什麽沟道,它们又分为增强型和耗尽型两种。 |
|
| 2.绝缘栅型场效应管的工作原理(以N沟道增强型MOS场效应管) |
|
| 3.绝缘栅型场效应管的特性曲线(以N沟道增强型MOS场效应管) |
|
|
|
|
||
| 注:对此我们也是只要求看到输出特性曲线和转移曲线能判断出是什麽类型的管子,即可。 | |||
低频功率放大电路的概述
一:功率放大电路的分类
按放大电路的频率可分为:
低频功率放大电路和高频功率放大电路。这一节我们只学习低频功率放大电路。
按功率放大电路中晶体管导通时间的不同可分:
甲类功率放大电路、乙类功率放大电路和丙类功率放大电路。
甲类功率放大电路,在信号全范围内均导通,非线性失真小,但输出功率和效率低,因此低频功率放大电路中主要用乙类或甲乙类功率放大电路。
二:功率放大电路的特殊问题
1、功率放大电路的输出功率
功率放大电路的任务是推动负载,因此功率放大电路的重要指标是输出功率,而不是电压放大倍数。
2、功率放大电路的非线性失真
功率放大电路工作在大信号的情况时,非线性失真时必须考虑的问题。因此,功率放大电路不能用小信号的等效电路进行分析,而只能用图解法进行分析。
3、功率放大电路的效率
效率定义为:输出信号功率与直流电源供给频率之比。放大电路的实质就是能量转换电路,因此它就存在着转换效率。
| 一:双电源互补对称电路(OCL电路) |
|
| 1、指标计算 |
|
| 2、存在问题 |
|
| 二:单电源互补对称电路(OTL电路) 总结 |
|
| 一:滤波电路的基础知识 | |||
| 滤波电路的作用:允许规定范围内的信号通过;而使规定范围之外的信号不能通过。 |
|||
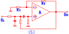
| 二:有源滤波电路 |
|
||
| 它的幅频特性如图(2)所示: |
|
||
| 其中:Aup为通带电压放大被数, |
|||
| 对于低有源滤波电路,我们可以通过改变电阻Rf和R1的阻值来调节通带电压的放大被数。 | |||
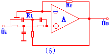
| (2)高通滤波电路 |
![]() |
||
| 同样我们可以得到它的幅频特定如图(4)所示: |
![]() |
||
| 其中: |
|||
| (3)带通滤波电路和带阻滤波电路 |
|||
|
|||
| 一:电压比较器的基础知识
|
|||
| 二:简单电压比较器
|
|||
| 下面我们对它们进行分析一下(只对图(1)所示的电路进行分析) |
|
||
| 定义:阈值电压:我们将比较器的输出电压从一个电平跳变到另一个电平时对应的输入电压的值。它还被称为门限电压。简称为:阈值。用符号UTH表示。
|
|||
| 简单的电压比较器结构简单,灵敏多高,但是抗干能力差,因此我们就要对它进行改进。改进后的电压比较器有:滞回比较器和窗口比较器。在此对它们不作要求。 |
|||
|
|
|||
| 我们前面学习的比较器都是用集成运放构成的,它存在着一定的缺点。我们一般用集成电压比较器来代替它。集成电压比较器的固有特点是: |
|||
这一章是本课程的重点内容,我们在学习是要注意理想运放电路的分析计算方法。这一章我们要重 点掌握的内容有:
(1)理想运放的线性运用和非线性应用的条件及其分析方法;
(2)反相、同相和差动放大电路及其性能特点;
(3)和、差电路的类型和运算;
(4)反相积分电路及其输出电压的计算;
(5)一阶RC低通、高通滤波电路的组成特点以及传输函数、幅频特性和截止频率的计算,带通、带阻滤波器的实现方法。
(6)简单电压比较器及其传输特性的画法。在已知输入波形下,如何画出比较器的输出波形。
0欧姆电阻的功能
大概有以下几个功能:①做为跳线使用。这样既美观,安装也方便。②在数字和模拟等混合电路中,往往要求两个地分开,并且单点连接。我们可以用一个0欧的电阻来连接这两个地,而不是直接连在一起。这样做的好处就是,地线被分成了两个网络,在大面积铺铜等处理时,就会方便得多。附带提示一下,这样的场合,有时也会用电感或者磁珠等来连接。③做保险丝用。由于PCB上走线的熔断电流较大,如果发生短路过流等故障时,很难熔断,可能会带来更大的事故。由于0欧电阻电流承受能力比较弱(其实0欧电阻也是有一定的电阻的,只是很小而已),过流时就先将0欧电阻熔断了,从而将电路断开,防止了更大事故的发生。有时也会用一些阻值为零点几或者几欧的小电阻来做保险丝。不过不太推荐这样来用,但有些厂商为了节约成本,就用此将就了。④为调试预留的位置。可以根据需要,决定是否安装,或者其它的值。有时也会用*来标注,表示由调试时决定。⑤作为配置电路使用。这个作用跟跳线或者拨码开关类似,但是通过焊接固定上去的,这样就避免了普通用户随意修改配置。通过安装不同位置的电阻,就可以更改电路的功能或者设置地址。
版权声明:
本文来源网络,所有图片文章版权属于原作者,如有侵权,联系删除。
本文网址:https://www.mushiming.com/mjsbk/4869.html









































