窄带物联网(Narrowband Internet of Things, NB-IoT)构建于蜂窝移动通信网络,实现物与物通信、物与人通信。NB-IoT 聚焦于低功耗广覆盖(LPWA)物联网(IoT)市场,是一种可在全球范围内广泛应用的新兴技术。
NB-IoT 网络只消耗大约 180 kHz 的带宽,使用 License 频段,可采取带内、保护带或独立载波等三种部署方式,与现有网络共存。可直接部署于 GSM 网络、UMTS 网络或 LTE 网络,以降低部署成本、实现平滑升级。
- 低功耗
IoT 应用(如智能抄表、环境监控、智能农业等)安装环境没有电源供应,需要使用电池。为了满足电池达到 5 到 10 年寿命的需求,NB-IoT 网络引入 PSM 和 eDRX 技术极大降低了终端功耗,可使设备在生命周期绝大部分时间处于极低功耗状态,从而保障电池的使用寿命。
- 低成本
NB-IoT 终端采用窄带技术,基带复杂度低,只使用单天线,采用半双工方式,射频模块成本低,大部分(SRVCC、IMS、紧急呼叫等功能)不必要的功能都可以裁剪。同时采用 SoC 内置功放(PA),降低了对终端 Flash 存储空间、终端尺寸、终端射频等的要求,从而极大降低了 NB-IoT 的终端成本。
- 大连接
NB-IoT 比 2G/3G/4G 有 50-100 倍的上行容量提升(特定业务模型),NB-IoT 可比现有无线技术提供 50-100 倍的接入数,单小区可支持 5 万级别的用户规模。
- 覆盖广
具有 164 dB 最大耦合损耗(Maximum Coupling Loss,MCL),NB-IoT 比 GPRS 提升 20 dB 增益,在地下车库、地下室、地下管道等信号难以到达的地方也能较好覆盖。
NB-IoT 网络组成包括 NB-IoT 终端、NB-IoT 基站、NB-IoT 分组核心网、IoT 连接管理平台和行业应用服务器。NB-IoT 的接入网构架与 LTE 一样。
NB-IoT 业务规模发展与承载业务模型密切相关,其适用场景是 小流量,上报为主,长期休眠,功耗敏感,低移动性 应用。为了实现 NB-IoT 网络承载海量的低功耗设备,最重要的技术为 PSM 和 eDRX。
NB-IoT 支持三种省电模式:
- PSM:Power Saving Mode,省电模式
- DRX:Discontinuous Reception,不连续接收模式
- eDRX:Extended DRX,扩展不连续接收模式
PSM 模式
终端非业务期间深度休眠,不接收下行数据。只有终端主动发送上行数据(mobile originated data)时,才可接收涂鸦 IoT 开发平台缓存的下行数据(mobile terminated data)。
在该状态下,终端射频关闭,相当于关机状态。但是核心网侧还保留用户上下文,用户进入空闲态/连接态时无需再附着 PDN 建立。适合对下行数据无时延要求的业务。终端设备功耗低,采取电池供电方式,例如抄表业务。
- Active:模块处于活动状态,所有功能正常可用,可以进行数据发送和接收。模块在此模式下可切换到 idle 模式或 PSM 模式。
- Idle:模块处于浅睡眠状态,模块处于网络连接状态,可接收寻呼消息。模块在此模式下可切换至 active 或 PSM 模式。
- PSM:模块处于深睡眠状态,内部只有 RTC 工作,网络处于非连接状态,不可接收寻呼消息。当定时器超时后,模块将被唤醒,也可通过拉低 引脚从唤醒模块。
eDRX 模式
终端设备兼顾低功耗和对时延有一定要求的业务。在每个 eDRX 周期内,只有在设置的寻呼时间窗口内,终端可接收下行数据,其余时间终端处于休眠状态,不接收下行数据。该模式可在下行业务时延和功耗之间取得平衡,例如远程关闭煤气业务。
DRX 模式
可以认为下行业务随时可达终端设备,在每个 DRX 周期,终端都会检测一次是否有下行业务到达,适用于对时延有高要求的业务。终端设备一般采取供电的方式,例如路灯业务。
首次入网时延:NB-IoT 终端开机后,终端和网络有较多消息交互(认证,建立通道,分配 IP 地址等),花费时间较长,需要 6-8s 才完成网络接入,才能获得 IP 地址,用于后期数据传输使用。
数据上报和接收时延:NB-IoT 终端接入成功后,当终端有数据传输时,终端会主动和基站建立无线连接(此时不再需要认证、IP 地址分配等过程),无线链路建立成功后,立即发送数据。终端进行数据上报的时延与终端所处的状态、无线网络覆盖密切相关。
NB-IoT 应用的低功耗机制和 SIM 卡运营商的配置密不可分。因此,在购买 SIM 卡时请确认自己所办理的 APN 业务,不同 APN 适用于不同的应用场景。电信相关业务如图所示。
当产品功能复杂或 SoC 方案无法满足需求时,客户可以选择 MCU 对接方案。在此方案中,涂鸦模组仅作为数据传输通道。MCU 对接方案常用于大小家电、安防传感等类别的产品。
优点:相对于市场上 NB-IoT 模组普遍的 AT 指令开发方式,采用涂鸦的 NB-IoT 通用对接串口协议方式,客户的开发门槛更低,维护简单,可以更轻易地实现新产品接入。
- PSM 型通用固件:监控上报型业务场景
- DRX 型通用固件:下发控制型业务场景
- 其他类定制固件:综合定制型业务场景
涂鸦已有 MCU 通用对接 NB-IoT 模组:PSM 型通用模组和 DRX 型通用模组。eDRX 型通用模组暂未开发。若有特殊需求,例如协议定制、功能定制等,可咨询涂鸦工作人员,确认方案可行性。
开发流程主要包含创建产品、硬件调试、软件开发和功能调试环节。
登录 涂鸦 IoT 开发平台,创建产品。根据实际需求选择产品品类,联网方式选择 NB-IoT,功耗类型根据自己产品的特性来选择。常用电池类供电、监控上报型业务的产品请选 PSM。对功耗不敏感、下发控制型业务的产品请选 DRX(注意功耗选择关系到后续模组的寄样与生产)。
产品创建完成后,可以根据产品实际需求选择功能、面板、模组和固件,就可以下载 MCU 开发包。
常用模组介绍
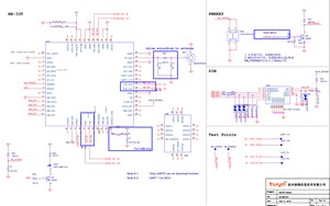
在平台创建产品选择模组时,平台会推荐一些常用模组型号。以 NB-IoT 通用方案中使用最多的 NM1-GL 模组举例。
选定模组型号后,您可在线购买模组样品,硬件工程师可以进入画板阶段。关于硬件开发相关资料,可在文档中心查看 NB-IoT 模组规格书。
硬件最小系统搭建
- 串口通讯电路:串口电平 1.8V,需电平转换。
- UART1(必用):通用对接管脚,用于模块与用户芯片串口通讯(波特率 或 9600)。
- UART2(选用):日志打印管脚,对接流程中发现问题,需要通过抓取日志协同判断时使用,可将此 IO 引出到测试点,方便调试(波特率 )。
- 模块唤醒电路:
- 开机唤醒引脚:
- 低功耗唤醒引脚:
- SIM 卡电路:设计前,确定需要 SIM 卡封装,USIM 或 eSIM,根据产品特性购买相关业务的 SIM 卡。
- 电源电路:模块功耗峰值约 300mA,需据此合理设计电源电路。
- 天线电路:天线射频电路可参考硬件设计手册,天线需要自行与天线厂商做匹配。
拿到模组后,可先不必着急编写代码,首先确定模组是否工作正常。使用涂鸦提供的模组调试助手(MCU 模拟模式)与模组配合进行配网实操,验证模组的同时可以熟悉协议交互流程,后续开发调试效率将极大提升。
在涂鸦模组调试助手-MCU 模拟模式,调试助手会模拟 MCU 自动回复模组正确的协议数据,用 App 绑定模组后,可测试 DP 数据的上报下发。接下来简要介绍助手和模组配网实操的主要步骤。使用前,需提前了解 涂鸦模组调试助手使用说明。
- 根据最小系统原理图,搭建模组外围电路,供电稳定,天线合规、信号强度良好,且已插上 NB-IoT 专用物联网 SIM 卡。
- 打开开发包中涂鸦模组调试助手,导入调试文件。协议选择 NB-IoT 通用协议,MCU 模拟模式。
- 将模组串口通过 USB 转 TTL 工具接到电脑端,调试助手选择对应的串口及波特率,打开串口单击 启动,将看到模组和上位机自动进行初始化流程协议交互。
App 扫码绑定
- 注册:NB-IoT 模组在涂鸦出厂授权后,涂鸦 IoT 云会拉取模组信息,并在电信 IoT 平台注册该模组。
- 激活:NB-IoT 模组首次上电且完成初始化后,即可连接到电信 IoT 平台进行激活,以模组发出的网络状态为准。
- 使用:只有完成经过激活且未被其他账号绑定的模组,才能被 App 成功绑定。


在硬件调试环节,可以看到模组与 MCU 有一系列的串口协议交互数据,需要查看开发包中协议文档来理解这些数据。协议主要分为两部分:基础协议和功能协议。
- 基础协议和产品无关,是模组共有协议,包括模组初始化指令及部分扩展功能指令。
- 功能协议部分主要基于基础协议的上报下发命令字,对 DP 数据内容格式做了详细说明。
基础协议完整内容,文档中心保持实时更新,参考 NB-IoT 模组通用串口协议。
MCU 对接涂鸦模组协议,有两种途径:移植 MCU SDK 或自行对接协议。
自行对接协议
对于 MCU 资源有限或不适宜移植 MCU SDK 情况时,客户可以选择自行对接串口协议。
移植 MCU SDK
- 若 MCU 资源足够,建议用户直接移植 MCU SDK,开发高效便捷。开发包中 MCU SDK 是涂鸦提供的基于 C 语言的协议应用代码,可直接添加到 MCU 工程中。
- MCU SDK 对 MCU 硬件资源需求:
- Flash 4K 字节
- RAM 与 DP 数据长度有关,一百字节左右
- 函数嵌套级数 9 级。
- MCU SDK 对 MCU 硬件资源需求:
- 若资源不足的用户,可自行对接协议,SDK 包中的函数依然可以作为参考。
MCU SDK 移植教程,参考 MCU SDK 移植。
移植 MCU SDK 代码开发完成后,可以使用涂鸦模组调试助手-模组模拟模式,验证代码的正确性。使用方法与 MCU 模拟模式类似,模组模拟模式下,调试助手自动发送模组初始化交互流程来验证 MCU 回复是否正确,对于错误数据给予相应提示。初始化交互通过后,可以手动单击其他拓展功能测试,功能验证完成可接实际模组配网联调。
在使用调试助手验证代码后,MCU 可连接模组使用 App 配网,进入功能联调阶段。功能联调主要测试各 DP 上报下发是否正确。在调试过程,可使用一些常用工具:
- 后台日志查询入口:功能联调时,经常需要查看后台数据来判断问题,涂鸦运营中心可以满足您的需求。
- 涂鸦开发者论坛入口:涂鸦开发者论坛提供在线化的支持服务。如果文档资料无法解决您的问题,您可直接在线提问,专业技术团队将为您答疑。
- 常见问题集锦:常见问题答疑,可提前了解,有效避免踩坑。
版权声明:
本文来源网络,所有图片文章版权属于原作者,如有侵权,联系删除。
本文网址:https://www.mushiming.com/mjsbk/3656.html