1、硬件:STM32F103VET6单片机(HAL库)
2、编译环境:Atollic TrueSTUDIO for STM32 9.3.0
3、辅助工具:STM32CubeMX

1、时钟源选择:

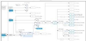
2、时钟树:

1、选用的是SPI1,全双工主机模式(单片机是主机,外部FLASH做从机),片选引脚由软件控制。

2、再检查一下SPI1的引脚设置是否正确。

3、设置FLASH的片选引脚即PC0引脚为输出模式,因为SPI1上只有一个器件,默认输出低电平。

1、SPI1初始化代码如下所示:
2、SPI1引脚及其相关的代码如下所示:
1、读一个字节
2、写一个字节
3、Flash写使能
4、Flash等待写结束
5、读Flash的ID
6、读Flash
7、按页写Flash
8、写Flash
9、擦除Flash扇区
10、擦除Flash块
#endif
版权声明:
本文来源网络,所有图片文章版权属于原作者,如有侵权,联系删除。
本文网址:https://www.mushiming.com/mjsbk/1926.html